1. A current of 5.2 A is flowing. Calculate the number of electrons passing each second. The charge on an electron is -1.6 x10 --19C. (3.25 x 1019)
2. A torch has two "D" cells mounted in series, each in good condition, each measuring 1.52 V with a multimeter. The torch globe is rated at "3.5V" and is measured to have a resistance of 4Ω. Find the current flowing when the torch is first switched on. Is the light bulb the correct rating for the torch? ( 0.76A)
3. A meter should not alter the circuit it is measuring -- that is the values of current and resistance should not alter when the meter is connected. Ammeters are placed in series in circuits whereas voltmeters are placed in parallel.
What must this mean about the resistance of each meter? Remember, each must have resistance as producing readings requires energy.
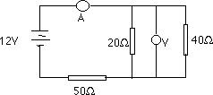
4.
Calculate the values that should be shown on the two meters.
( ammeter 0.0667A, voltmeter 6.67V )
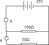
5.
These two resistors are in parallel. Find each ammeter reading.
(total current = 0.75A, current in 50Ω
= 0.5A)
6. Getting harder!
Now find the meter readings!!!!!! (ammeter 0.189A, voltmeter 2.52V)
7. The resistance of pure graphite reduces with temperature. A large current is put through a pencil and it gets hot. Discuss what may now happen to the current and temperature.
A metal tends to go the other way, resistance rises with temperature. Now what will tend to happen in a light bulb with a metal ( tungsten) filament?
8. You have a heater ( 1kW ) , a computer ( 100W ) and a hairdryer ( 500W ) all running from the same 240V power point. What current is running from the power point? If the fuse is rated at 10 A, is this a safe load on the fuse and wiring? (6.7A)
9. You have a car which you are about to upgrade
All this for doing blockies at night letting
people know that you like heavy rock. The car has a 12V system and an alternator
which produces 20A. What is the combined current needed to power all these
luxuries? Is your battery going to go flat? (60A -- you have problems)
10. A diode is to be mounted in a circuit as shown parallel to the resistor.

Calculate
the current when A is positive and B negative 12V and again when A is negative
and B positive.